ŽB‰e“ú:
ŽB‰eêŠ:
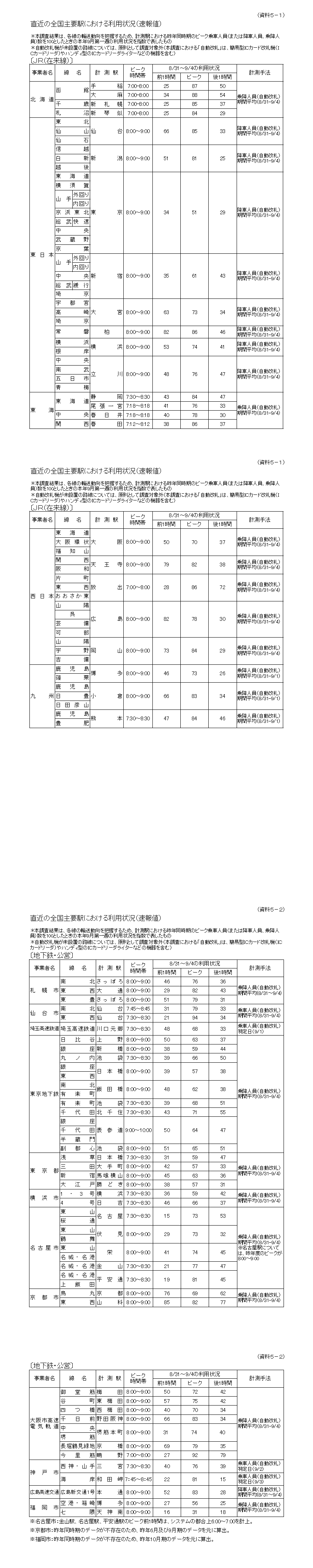
ƒLƒƒƒvƒVƒ‡ƒ“: Ž‘—¿‚TF’Œ‹ß‚Ì‘S‘Žå—v‰w‚É‚š‚¯‚é—˜—pó‹µi‘¬•ñ’ljJRE’n‰º“SEŒö‰cŒð’Ê
‰æ‘œƒTƒCƒY: 840~4208