NEWS RELEASE:JR&私鉄    4
No.9500 【大井川鐵道】10/1 川根温泉笹間渡まで延伸&ダイヤ改正
ひろやす/伊藤(vnnc8158) 2023-08-18 00:55:07
プレスリリース                    大井川鐵道株式会社
   
URL: oigawa-railway.co.jp Facebook: www.facebook.com/oigawa.railway Twitter: @daitetsuSL
                          2023年8月17日


  2023(令和5)年10月1日(日) およそ1年ぶりに大井川本流を渡る
     大井川本線 家山〜川根温泉笹間渡 開通・延伸
         〜あわせてダイヤ改正も実施〜


大井川鐵道(静岡県島田市)では2022(令和4)年9月23日深夜から翌24日未明にかけて発生した台風15号の被害により、現在も大井川本線 家山(島田市)〜千頭間(榛原郡川根本町)においてバスによる代行運転を行っておりますが、来る10月1日(日)より現在の不通区間の一部 家山(島田市)〜川根温泉笹間渡(同)につきまして鉄道運転区間を延伸いたします。関係者のみなさまには感謝を申し上げます。なお、これに合わせて同日より大井川本線のダイヤ改正も行います。詳細は以下のとおりです。


2023(令和5年)月10日1日 家山〜川根温泉笹間渡開通・延伸とダイヤ改正のあらまし(詳細後述)

1.現在、不通区間の一部、家山〜川根温泉笹間渡が開通・延伸します
2.あわせて同日、大井川本線において利用実態に合わせたダイヤ改正を行います
3.家山〜千頭・接岨峡温泉間に奥大井観光に特化した募集型企画旅行商品を販売します
4.電車の種別を増やします(快速急行、区間急行)
5.井川線のダイヤを改正します
6.その他


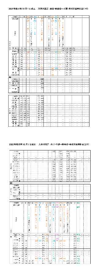
10月1日からのダイヤ改正内容詳細

@家山〜川根温泉笹間渡(2.9キロ)の開通、延伸〜およそ1年ぶり、大井川本線が大井川本流を渡る

昨年12月16日以降、大井川本線は金谷〜家山を鉄道による運転、家山〜千頭を代行バスによる運転を行っておりますが、来る10月1日(日)、バス代行区間の家山〜川根温泉笹間渡で鉄道による運転を再開します。これにより大井川本流を渡る大鉄線の姿がおよそ1年ぶりに帰ってきます

ASL列車を増発します
 ┌──────────┬────┬────┐
 │          │ 現行 │10/1以降│
 ├──────────┼────┼────┤
 │SL急行かわね路号 │ 1往復 │ 2往復 │
 │きかんしゃトーマス号│ 2往復 │ 2往復 │
 └──────────┴────┴────┘
 最大あわせて6往復までの運転を考えています
 運転本数は日によって異なります。詳しくは大井川鐵道褐式ホームページをご覧ください
 https://daitetsu.jp/

Bダイヤ改正に合わせ、奥大井観光に特化した列車→専用バス 募集型企画旅行商品の発売開始
新たに奥大井湖上駅をはじめとした奥大井地区周遊用に新金谷駅9時30分の列車(愛称 南アルプス号)乗車と家山駅前から千頭・接岨峡温泉方面に運行する専用バスおよび復路のバス、SL列車乗車がセットとなった募集型企画旅行商品ツアー商品の造成、販売に取り組みます。詳細は後日発表となります

C速達性を持たせた電車(運行種別)の新設
(1) 快速急行の新設
 毎週金曜日とご利用のみなさまが見込まれる日に運転します
 新金谷駅 15時13分 家山行(途中停車駅 福用)
 家山駅  16時00分 金谷行(途中停車駅 福用、新金谷)
(2) 夜間帯に区間急行の新設
 毎日運転。川根温泉笹間渡駅 20時08分 金谷行(途中停車駅 家山、代官町、新金谷)
 ※停車駅選定については両種別ともご利用実態に基づいて決定いたしました
 ※ご乗車の際、特別料金は不要です

D10月1日(日)、井川線のダイヤを改正します
 詳細は添付時刻表をご覧ください

Eその他
(1) 金谷〜川根温泉笹間渡間 電車運転本数の見直し
 9月30日まで 下り 家山方面行 上り 金谷駅行
 ┌──┬───────┬────┐
 │種別│  区 間  │ 本数 │
 ├──┼───────┼────┤
 │SL│新金谷〜家 山│下り1本│
 │  │       │上り1本│
 ├──┼───────┼────┤
 │電車│金 谷〜家 山│下り9本│
 │  │       │上り9本│
 ├──┼───────┼────┤
 │電車│金 谷〜新金谷│下り3本│
 │  │       │上り3本│
 └──┴───────┴────┘

 10月1日〜 下り 家山・川根温泉笹間渡方面行 上り 金谷方面行
 ┌──┬───────────┬────┬────────────┐
 │種別│    区 間    │ 本数 │     備考     │
 ├──┼───────────┼────┼────────────┤
 │SL│新金谷〜川根温泉笹間渡│下り3本│上り1本は家山始発   │
 │  │           │上り1本│            │
 ├──┼───────────┼────┼────────────┤
 │EL│川根温泉笹間渡〜新金谷│上り2本│内1本は家山駅で接続  │
 ├──┼───────────┼────┼────────────┤
 │電車│金 谷〜川根温泉笹間渡│下り4本│内 上下各1本は家山始発│
 │  │           │上り5本│上り本は区間急行    │
 ├──┼───────────┼────┼────────────┤
 │電車│金 谷〜新金谷    │下り3本│            │
 │  │           │上り2本│            │
 └──┴───────────┴────┴────────────┘
●電車の運転本数につきましては現状のご利用実態に合わせて策定いたしました
●上記は最大運転時の場合です
●SLにはきかんしゃトーマス号を含んでおりません

(2) 家山〜千頭間 バス運行形態の見直し
大井川本線の代行バスは被災以来、大井川鐵道が「鉄道の代替輸送」として運行してまいりましたが、10月1日より川根本町が運行主体となる「川根本町コミニュティーバス」となります。なお、運行受託は大井川鐵道のグループ会社 椛蜩Sアドバンスが行い、これまで同様、大井川鐵道クループとして地域の足を担ってまいります。詳細は以下となります
https://www.town.kawanehon.shizuoka.jp/soshiki/kurashikankyo/kankyoseisaku/tyoueibasu/13298.html

(3) 発売をとりやめるフリーきっぷ
 大井川周遊きっぷ(9月29日より)
 大井川本線フリーきっぷ(9月30日より)

(4) 本リリースの詳細について・・・大井川鐵道褐式ホームページにも詳細を掲載してありますのでご 覧ください
 https://daitetsu.jp/archives/175540

(5) 10月1日(日) 大井川鐵道ダイヤ改正についてのお問合せ先
 大井川鐵道 営業部(電話 0547-45-4112 9時00分〜17時00分 年中無休)

(6) 10月1日(日) ダイヤ改正内容につきましては沿線市町である島田市、川根本町のみなさまと協議を重ねた上で実施するものです。たび重なる協議にご協力いただきましてありがとうございます

最後に
当社としましてはこれからも、SL列車運行を中心とした観光列車輸送で大井川流域に賑わいを創出していくという基本方針に変わりはありません。10月1日以降も引き続き、当社へのご支援をお願い申し上げます
撮影日:
撮影場所:
キャプション:
画像サイズ: 1056×2900(30%表示)